附 总平面图(调整前后)
鸟瞰图(调整前后)
多层区域场地竖向分析(调整前后)
高层区域场地竖向分析(调整前后)
7#楼~10#楼单体透视图(调整前后)
53.0标高地下室平面图(调整前后)
56.0~58.5标高地下室平面图(调整前后)
56.3~62.3标高地下室平面图(调整前后)
7#楼标准层平面图(调整前后)
8#楼标准层平面图(调整前后)
9#楼标准层平面图(调整前后)
10#楼标准层平面图(调整前后)
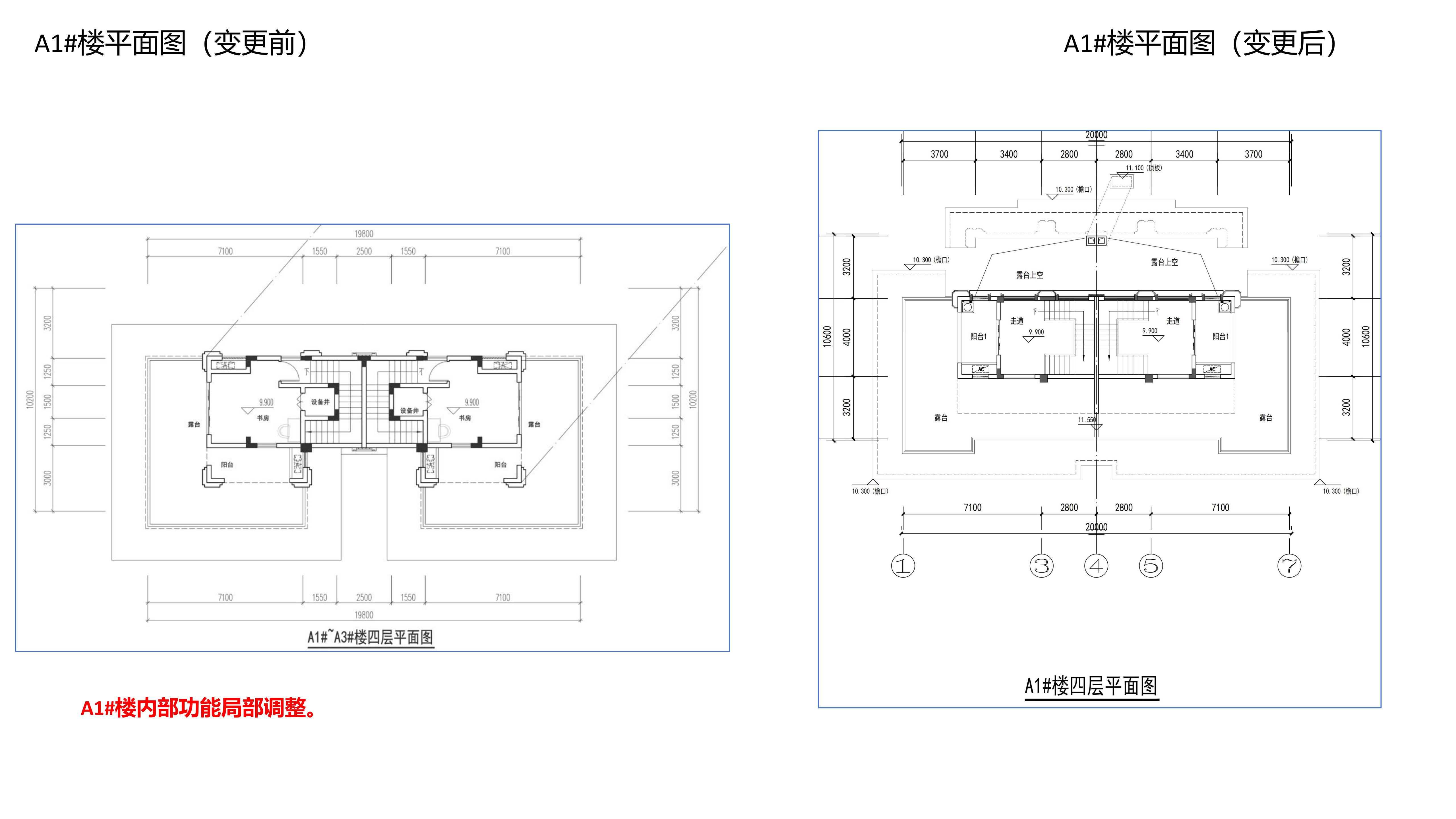
A1#楼1-4层平面图(调整前后)
A2#楼~A3#楼1-4层平面图(调整前后)
A6#楼1-4层平面图(调整前后)
A5#楼、A7#~A10#楼1-4层平面图(调整前后)
A11#楼1-4层平面图(调整前后)
附注:
1、若对本公示内容不明确的,可向我局查阅。
2、书面反馈(申请)意见发表时间或邮戳日不应超过公示期的最后一天24:00,逾期视为无效意见。
3、书面意见应注明真实联系人姓名、联系电话、联系地址。
闽清县自然资源和规划局
2025年11月7日



































